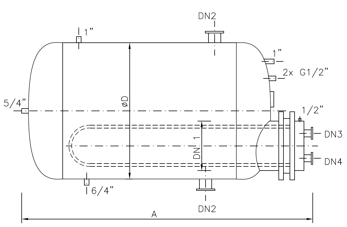
Ležaté ohříváky vody - OVL-PV, OVL-VV
Technichnické parametry
| Katalogové číslo | Objem [l] | D [mm] | A [mm] | DN1 [mm] | DN2 [mm] | Hmotnost [kg] | Výhřevná plocha [Cu/m2] | |||||||||
|---|---|---|---|---|---|---|---|---|---|---|---|---|---|---|---|---|
| 0,6 MPa | 1,0 MPa | 1,6 MPa | 0,5 | 1 | 2 | 3 | 5 | 8 | 10 | 12 | ||||||
| 0601 | 250 | 550 | 1570 | 250 | 25 | 130 | 135 | 145 | x | x | ||||||
| 0602 | 400 | 600 | 1820 | 250 | 25 | 155 | 160 | 195 | x | x | ||||||
| 0603 | 540 | 650 | 2060 | 300 | 40 | 190 | 205 | 250 | x | x | x | |||||
| 0604 | 630 | 700 | 2220 | 350 | 40 | 210 | 230 | 300 | x | x | x | |||||
| 0605 | 800 | 800 | 2150 | 350 | 40 | 250 | 280 | 335 | x | x | x | |||||
| 0606 | 1000 | 800 | 2730 | 350 | 50 | 305 | 345 | 405 | x | x | x | |||||
| 0607 | 1400 | 1000 | 2300 | 450 | 50 | 415 | 500 | 620 | x | x | x | x | x | |||
| 0608 | 1600 | 1000 | 2450 | 450 | 50 | 465 | 575 | 725 | x | x | x | x | x | |||
| 0609 | 2000 | 1000 | 2920 | 450 | 50 | 590 | 705 | 865 | x | x | x | x | x | |||
| 0610 | 2200 | 1200 | 2460 | 450 | 50 | 635 | 755 | 915 | x | x | x | x | x | |||
| 0611 | 2500 | 1200 | 2960 | 450 | 80 | 705 | 825 | 995 | x | x | x | x | x | |||
| 0612 | 4000 | 1400 | 3020 | 450 | 80 | 955 | 1105 | 1375 | x | x | x | x | x | |||
| 0613 | 5000 | 1400 | 3750 | 450 | 80 | 1155 | 1365 | 1695 | x | x | x | x | x | |||
| 0614 | 6300 | 1600 | 3650 | 450 | 80 | 1355 | 1315 | 2015 | x | x | x | x | ||||
| 0615 | 8000 | 1800 | 3650 | 450 | 100 | 1695 | 2015 | 2615 | x | x | x | |||||
| 0616 | 10000 | 2000 | 3950 | 450 | 100 | 2025 | 2405 | 3205 | x | x | x | |||||
| OVS VV | DN3=DN4 | 25 | 32 | 50 | 50 | 65 | 65 | 80 | 80 | |||||||
| OVS PV | DN3 | 25 | 32 | 40 | 50 | 65 | 65 | 80 | 80 | |||||||
| DN4 | 15 | 20 | 25 | 25 | 40 | 40 | 40 | 40 | ||||||||
Kromě typových výrobků uvedených v katalogu dodáváme i atypická provedení. Nádobu lze vybavit uložením dle tabulky prospektu.
Výkres
