Menu
  • Vítejte
      • O společnosti
      • Profil společnosti
      • Environmentální politika (EMS)
      • Certifikace a normy
      • Projekty EU
      • Ke stažení
      • Zajímavosti
  • Produkty
      • Kotle na biomasu
      • Tlakové nádoby stabilní
      • Výměníky tepla
      • Ohříváky vody
      • Zařízení pro úpravu vod
      • Beztlaké nádoby
      • Ostatní produkty
      • Elektrárna na biomasu
      • Pozinkované nádoby pro domácí vodárny
  • Reference
      • Investiční akce
      • Realizace vlastních technologií
      • Tlakové nádoby
      • Kotelny na biomasu
      • Konstrukce a projekce
  • Servis
  • Kontakty
      • Adresy
  • Volné pozice
      • Benefity
      • Technickohospodářské profese
      • Dělnické profese
      • Brigády
  • Uživatelské menu
      • Přihlásit se
      • Vytvořit účet
  • Czech (CZ)
  • German (DE)
  • Russian (RU)
  • Slovak (SK)
  • English (UK)
STEP TRUTNOV

STEP TRUTNOV

    • Telefon:
    • +420 499 407 407
    • Sídlo společnosti:
    • Horská 695, 541 02 Trutnov
    • Adresa výrobního závodu
    • Horská 695, 541 02 TRUTNOV 4
  • Titulní stránka |
  • Produkty |
  • Výměníky tepla |
  • Výměník - VT4 - VVL (voda - voda, ležatý)

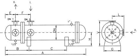
Výměník - VT4 - VVL (voda - voda, ležatý)

 


Výměníky typového označení VT3 – PVL a VT4 - VVL jsou vyráběny pro tlaky plášť/vložka 1,6/1,6 MPa, maximální pracovní teploty plášť/vložka 200/200°C. Jsou vhodné zejména pro ohřev ÚT. Výhřevné médium (pára nebo voda) vstupuje do pláště.Cu trubky popř. Fe trubky jsou zaválcované případně zavařené do dvou pevných trubkovnic. Voda proudí čtyřsměrně (VV), dvousměrně (PV). Výměníky jsou opatřeny hrdly pro vstup a výstup vody nebo páry, dále návarky pro teploměr, odkalení a odvzdušnění. Výměníky jsou opatřeny základním nátěrem.


Technické parametry

Katalogové číslo DN
 
A
[mm]
B
[mm]
C
[mm]
E
[mm]
F
[mm]
G
[mm]
H
[mm]
L
[mm]
V
[mm]
DN1
 
DN2
 
pl.Fe
[m²]
pl.Cu
[m²]
m [kg]
Fe Cu
1201 150 1700 550 650 126 277 200 200 200 398 40 40 1,9 0,9 12 147
1202 200 1735 550 650 151 294 260 220 260 518 40 40 3,6 1,8 237 209
1203 250 1800 550 650 190 280 360 250 290 578 50 50 7 3,5 328 301
1204 300 1850 550 650 188 300 400 280 320 638 65 65 10,9 5,5 453 412
1205 350 1900 550 650 235 330 420 300 340 578 80 80 17 8,5 535 471
1206 400 1950 550 700 260 360 450 320 400 798 100 100 21,2 10,5 694 612

Kromě typových výrobků uvedených v katalogu dodáváme i atypická provedení.


Výkres

vt4 vvl vykres


Stáhnout DWG

STEP TRUTNOV © 2026
  • Vítejte
  • Produkty
  • Reference
  • Servis
  • Kontakty
  • Volné pozice
  • Uživatelské menu

Login form