Расширительная ёмкость низкого давления
Расширительные ёмкости низкого давления предназначены для использования в водяных системах с большим количеством воды, отопительных системах, системах охлаждения. Функция расширительной ёмкости заключается в компенсации теплового расширения воды в системах без её расхода.
Как правило ёмкости поставляются с базовым покрытием на основе экологически чистой краской, водой разбавленную. По заказу заказчика возможно нанесение пластикового поверхностного покрытия или оцинкование.
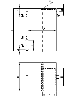
Технические характеристики
| Каталоговый номер | Объём литры | Объём литры | Крышка | |||
|---|---|---|---|---|---|---|
| A (mm) | B (mm) | H (mm) | C (mm) | D (mm) | ||
| 3001 | 60 | 500 | 250 | 500 | 250 | 250 |
| 3002 | 125 | 500 | 500 | 500 | 250 | 500 |
| 3003 | 190 | 500 | 500 | 750 | 250 | 500 |
| 3004 | 250 | 500 | 500 | 1000 | 250 | 500 |
| 3005 | 420 | 750 | 750 | 750 | 400 | 400 |
| 3006 | 550 | 750 | 750 | 1000 | 400 | 400 |
| 3007 | 700 | 750 | 750 | 1250 | 400 | 400 |
| 3008 | 850 | 850 | 1000 | 1000 | 500 | 500 |
| 3009 | 1000 | 1000 | 1000 | 1000 | 500 | 500 |
| 3010 | 1250 | 1000 | 1000 | 1250 | 500 | 500 |
| 3011 | 1500 | 1000 | 1000 | 1500 | 500 | 500 |
| 3012 | 1800 | 1000 | 1000 | 1800 | 500 | 500 |
| 3013 | 2000 | 1000 | 1000 | 2000 | 500 | 500 |
| 3014 | 2500 | 1000 | 1250 | 2000 | 500 | 500 |
| 3015 | 3000 | 1000 | 1500 | 2000 | 500 | 500 |
| Каталоговый номер | Соединительные размеры | Масса кг. | |||||||
|---|---|---|---|---|---|---|---|---|---|
| DN1 | DN2 | DN3 | DN4 | a (mm) | b (mm) | c (mm) | d (mm) | ||
| 3001 | 1" | 1" | - | - | 30 | 55 | - | - | 24 |
| 3002 | 6/4" | 5/4" | 1/2" | 1" | 35 | 70 | 125 | 30 | 36 |
| 3003 | 6/4" | 5/4" | 1/2" | 1" | 40 | 75 | 190 | 30 | 48 |
| 3004 | 6/4" | 5/4" | 1/2" | 5/4" | 50 | 100 | 250 | 35 | 60 |
| 3005 | 2" | 6/4" | 1/2" | 5/4" | 45 | 90 | 190 | 35 | 108 |
| 3006 | 2" | 6/4" | 1/2" | 5/4" | 50 | 100 | 250 | 30 | 132 |
| 3007 | 70 | 50 | 1/2" | 40 | 65 | 125 | 310 | 35 | 156 |
| 3008 | 70 | 50 | 1/2" | 40 | 50 | 110 | 250 | 35 | 173 |
| 3009 | 70 | 50 | 1/2" | 40 | 50 | 110 | 250 | 35 | 192 |
| 3010 | 80 | 50 | 1/2" | 50 | 65 | 125 | 310 | 40 | 224 |
| 3011 | 80 | 50 | 1/2" | 50 | 75 | 150 | 375 | 40 | 320 |
| 3012 | По желанию заказчика | 368 | |||||||
| 3013 | По желанию заказчика | 400 | |||||||
| 3014 | По желанию заказчика | 460 | |||||||
| 3015 | По желанию заказчика | 520 | |||||||
Рисование

Технические характеристики
| № | Объём | D | B | H | DN 1 | Weight |
|---|---|---|---|---|---|---|
| l | mm | mm | mm | mm | kg | |
| BN01 | 250 | 500 | 200 | 1630 | - | 80 |
| BN02 | 400 | 600 | 200 | 1720 | - | 140 |
| BN03 | 540 | 650 | 200 | 1960 | - | 160 |
| BN04 | 630 | 700 | 200 | 2120 | - | 180 |
| BN05 | 800 | 800 | 200 | 2050 | - | 220 |
| BN06 | 1000 | 800 | 300 | 2560 | - | 260 |
| BN07 | 1400 | 1000 | 300 | 2300 | 420x320 | 370 |
| BN08 | 1600 | 1000 | 300 | 2700 | 420x320 | 420 |
| BN09 | 2000 | 1000 | 300 | 2920 | 420x320 | 515 |
| BN10 | 2200 | 1200 | 300 | 2460 | 420x320 | 560 |
| BN11 | 2500 | 1200 | 300 | 2960 | 420x320 | 630 |
| BN12 | 4000 | 1400 | 300 | 3020 | 420x320 | 880 |
| BN13 | 5000 | 1400 | 300 | 3750 | 420x320 | 1080 |
| BN14 | 6300 | 1600 | 300 | 3650 | 420x320 | 1280 |
| BN15 | 8000 | 1800 | 300 | 3650 | 420x320 | 1620 |
| BN16 | 10000 | 2000 | 300 | 3950 | 420x320 | 1950 |
Рисование

Технические характеристики
| Объём от 30 до 200 л | |||||
|---|---|---|---|---|---|
| № | Объём | D | A | DN 1 | Вес |
| No. | l | mm | mm | mm | kg |
| BNM1 | 30 | 300 | 480 | - | 30 |
| BNM2 | 50 | 300 | 740 | - | 40 |
| BNM3 | 65 | 300 | 990 | - | 50 |
| BNM4 | 75 | 300 | 1090 | - | 55 |
| BNM5 | 90 | 300 | 1340 | - | 65 |
| BNM6 | 100 | 400 | 940 | - | 32 |
| BNM7 | 150 | 400 | 1340 | - | 44 |
| BNM8 | 200 | 500 | 1190 | - | 58 |
| Объём от 250 до 10 000 л | |||||
|---|---|---|---|---|---|
| № | Объём | D | A | DN 1 | Вес |
| No. | l | mm | mm | mm | кг |
| BN101 | 250 | 500 | 1440 | - | 67 |
| BN102 | 400 | 600 | 1670 | - | 130 |
| BN103 | 540 | 650 | 1910 | - | 140 |
| BN104 | 630 | 700 | 2070 | - | 160 |
| BN105 | 800 | 800 | 2000 | - | 190 |
| BN106 | 1000 | 800 | 2580 | - | 230 |
| BN107 | 1400 | 1000 | 2150 | 420x320 | 320 |
| BN108 | 1600 | 1000 | 2300 | 420x320 | 370 |
| BN109 | 2000 | 1000 | 2770 | 420x320 | 465 |
| BN110 | 2200 | 1200 | 2310 | 420x320 | 510 |
| BN111 | 2500 | 1200 | 2810 | 420x320 | 580 |
| BN112 | 4000 | 1400 | 2870 | 420x320 | 830 |
| BN113 | 5000 | 1400 | 3600 | 420x320 | 1030 |
| BN114 | 6300 | 1600 | 3500 | 420x320 | 1230 |
| BN115 | 8000 | 1800 | 3500 | 420x320 | 1570 |
| BN116 | 10000 | 2000 | 3800 | 420x320 | 1900 |
Рисование
