Menu
  • Vítejte
      • O společnosti
      • Profil společnosti
      • Environmentální politika (EMS)
      • Certifikace a normy
      • Projekty EU
      • Ke stažení
      • Zajímavosti
  • Produkty
      • Kotle na biomasu
      • Tlakové nádoby stabilní
      • Výměníky tepla
      • Ohříváky vody
      • Zařízení pro úpravu vod
      • Beztlaké nádoby
      • Ostatní produkty
      • Elektrárna na biomasu
      • Pozinkované nádoby pro domácí vodárny
  • Reference
      • Investiční akce
      • Realizace vlastních technologií
      • Tlakové nádoby
      • Kotelny na biomasu
      • Konstrukce a projekce
  • Servis
  • Kontakty
      • Adresy
  • Volné pozice
      • Benefity
      • Technickohospodářské profese
      • Dělnické profese
      • Brigády
  • Uživatelské menu
      • Přihlásit se
      • Vytvořit účet
  • Czech (CZ)
  • German (DE)
  • Russian (RU)
  • Slovak (SK)
  • English (UK)
STEP TRUTNOV

STEP TRUTNOV

    • Telefon:
    • +420 499 407 407
    • Sídlo společnosti:
    • Horská 695, 541 02 Trutnov
    • Adresa výrobního závodu
    • Horská 695, 541 02 TRUTNOV 4
  • Titulní stránka |
  • Produkty |
  • Tlakové nádoby stabilní |
  • Akumulační nádoby (AN - L)

Akumulační nádoby (AN - L)

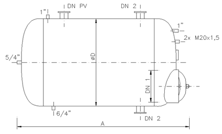
Označení akumulačních nádob ležatých je AN-L. V objednávce je nutné uvádět katalogové číslo AN-L, druh pracovního média, objem, tlak a teplotu pracovního média.

AN-L jsou opatřeny hrdly pro vstup a výstup pracovního média, dále návarky pro teploměr, tlakoměr, snímač regulace, odkalení a odvzdušnění. Velikost jednotlivých vstupů a výstupů (DN2) a jejich umístění je nutné specifikovat v objednávce dle konkrétních požadavků odběratele.

Plášť nádoby je opatřen základním ekologickým nátěrem a je možno, na základě požadavku, provést vnitřní povrchovou úpravu a to pozinkováním nebo plastováním. Nádoby jsou uloženy na základě požadavku do sedel.


Technické parametry

Katalogové čísloObjem [l]D [mm]A [mm]DN1 [mm]Hmotnost [kg]
0,6 MPa1,0 MPa1,6 MPa
ANM1 30 300 480 - 30 35 50
ANM2 50 300 740 - 40 45 60
ANM3 65 300 990 - 50 55 70
ANM4 75 300 1090 - 55 60 75
ANM5 90 300 1340 - 65 70 85
ANM6 100 400 940 - 32 42 50
ANM7 150 400 1340 - 44 57 69
ANM8 200 500 1190 - 58 69 80


Katalogové čísloObjem [l]D [mm]A [mm]DN1 [mm]Hmotnost [kg]
0,6 MPa1,0 MPa1,6 MPa
AN101 250 550 1420 - 67 81 95
AN102 400 600 1670 - 130 135 170
AN103 540 650 1910 - 140 155 200
AN104 630 700 2070 - 160 180 250
AN105 800 800 2000 - 190 220 285
AN106 1000 800 2580 - 230 270 330
AN107 1400 1000 2150 420x320 320 405 525
AN108 1600 1000 2300 420x320 370 480 630
AN109 2000 1000 2770 420x320 465 580 740
AN110 2200 1200 2310 420x320 510 630 790
AN111 2500 1200 2810 420x320 580 700 870
AN112 4000 1400 2870 420x320 830 980 1250
AN113 5000 1400 3600 420x320 1030 1240 1570
AN114 6300 1600 3500 420x320 1230 1490 1890
AN115 8000 1800 3500 420x320 1570 1890 2490
AN116 10000 2000 3800 420x320 1900 2280 3080

Kromě typových výrobků uvedených v katalogu dodáváme i atypická provedení.

Výkres

an l vykres


Stáhnout DWG

STEP TRUTNOV © 2026
  • Vítejte
  • Produkty
  • Reference
  • Servis
  • Kontakty
  • Volné pozice
  • Uživatelské menu

Login form