Expanzní nádoba (TN-SE)
Expanzní nádoby se značí TN-SE a používají se jako vyrovnávací nádoba otopných teplovodních nebo horkovodních systémů. Nad vodní hladinou je stlačený vzduch.
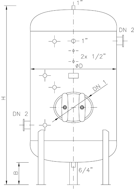
Expanzní nádoby jsou opatřeny hrdly pro vstup a výstup pracovního média, dále návarky pro tlakoměr, tlakový spínač, odkalení, odvzdušnění, pojistný ventil a návarky pro stavoznaky.
V objednávce je nutné uvádět katalogové číslo, objem, tlak a teplotu pracovního média, případně požadavek na povrchovou úpravu (základní nátěr, zinkování apod.).
Technické parametry
| Katalogové číslo |
Objem [l] |
D [mm] |
B [mm] |
H [mm] |
DN1 [mm] |
Hmotnost [kg] | ||
|---|---|---|---|---|---|---|---|---|
| 0,6 MPa | 1,0 MPa | 1,6 MPa | ||||||
| 0401 | 800 | 800 | 200 | 2050 | - | 220 | 250 | 315 |
| 0402 | 1000 | 800 | 300 | 2560 | - | 260 | 300 | 360 |
| 0403 | 1400 | 1000 | 300 | 2300 | 450 | 370 | 455 | 575 |
| 0404 | 1600 | 1000 | 300 | 2700 | 450 | 420 | 530 | 680 |
| 0405 | 2000 | 1000 | 300 | 2920 | 450 | 515 | 630 | 790 |
| 0406 | 2200 | 1200 | 300 | 2460 | 450 | 560 | 680 | 840 |
| 0407 | 2500 | 1200 | 300 | 2960 | 450 | 630 | 750 | 920 |
| 0408 | 4000 | 1400 | 300 | 3020 | 450 | 880 | 1030 | 1300 |
| 0409 | 5000 | 1400 | 300 | 3750 | 450 | 1080 | 1290 | 1620 |
| 0410 | 6300 | 1600 | 300 | 3650 | 450 | 1280 | 1540 | 1940 |
| 0411 | 8000 | 1800 | 300 | 3650 | 450 | 1620 | 1940 | 2540 |
| 0412 | 10000 | 2000 | 300 | 3950 | 450 | 1950 | 2330 | 3130 |
Kromě typových výrobků uvedených v katalogu dodáváme i atypická provedení.
Výkres
