Velké Akumulační nádoby
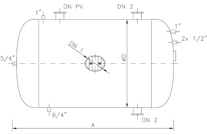
Technické parametry
| Katalogové | Objem | D | H | A | DN1 | Hmotnost |
|---|---|---|---|---|---|---|
| číslo | [l] | [mm] | [mm] | [mm] | [mm] | [kg] |
| .0017 | 20000 | 2000 | 7300 | 7010 | 420x320 | 3200 |
| .0018 | 30000 | 2200 | 8800 | 8510 | 420x320 | 5050 |
| .0019 | 40000 | 2400 | 10300 | 9910 | 420x320 | 6530 |
| .0020 | 50000 | 2400 | 12400 | 12010 | 420x320 | 7920 |
| .0021 | 60000 | 2400 | 14260 | 13870 | 420x320 | 8460 |
| .0022 | 70000 | 3000 | 11050 | 10660 | 420x320 | 9950 |
| .0023 | 80000 | 3000 | 12450 | 12060 | 420x320 | 10113 |
| .0024 | 90000 | 3200 | 12060 | 11760 | 420x320 | 10520 |
| .0025 | 100000 | 3400 | 11980 | 11680 | 420x320 | 11140 |
| .0026 | 130000 | 3600 | 14900 | 14050 | 420x320 | 19600 |
| .0027 | 150000 | 3800 | 15350 | 14550 | 420x320 | 21800 |
| .0028 | 200000 | 4000 | 17800 | 17000 | 420x320 | 25000 |
POZOR: Není-li ve vnitřní nádobě přetlak alespoň 0,4MPa, nesmí být ve vnější nádobě přetlak vyšší než 0,4MPa
Kromě typových výrobků uvedených v katalogu dodáváme i atypická provedení s průměrem nádrže a velikostí zařízení podle specifikací zákazníka.
Výkresy

