Menu
  • Vítejte
      • O společnosti
      • Profil společnosti
      • Environmentální politika (EMS)
      • Certifikace a normy
      • Projekty EU
      • Ke stažení
      • Zajímavosti
  • Produkty
      • Kotle na biomasu
      • Tlakové nádoby stabilní
      • Výměníky tepla
      • Ohříváky vody
      • Zařízení pro úpravu vod
      • Beztlaké nádoby
      • Ostatní produkty
      • Elektrárna na biomasu
      • Pozinkované nádoby pro domácí vodárny
  • Reference
      • Investiční akce
      • Realizace vlastních technologií
      • Tlakové nádoby
      • Kotelny na biomasu
      • Konstrukce a projekce
  • Servis
  • Kontakty
      • Adresy
  • Volné pozice
      • Benefity
      • Technickohospodářské profese
      • Dělnické profese
      • Brigády
  • Uživatelské menu
      • Přihlásit se
      • Vytvořit účet
  • Czech (CZ)
  • German (DE)
  • Russian (RU)
  • Slovak (SK)
  • English (UK)
STEP TRUTNOV

STEP TRUTNOV

    • Telefon:
    • +420 499 407 407
    • Sídlo společnosti:
    • Horská 695, 541 02 Trutnov
    • Adresa výrobního závodu
    • Horská 695, 541 02 TRUTNOV 4
  • Titulní stránka |
  • Produkty |
  • Tlakové nádoby stabilní |
  • Vzdušník ležatý (TN-VL), Větrník ležatý (TN-LV)

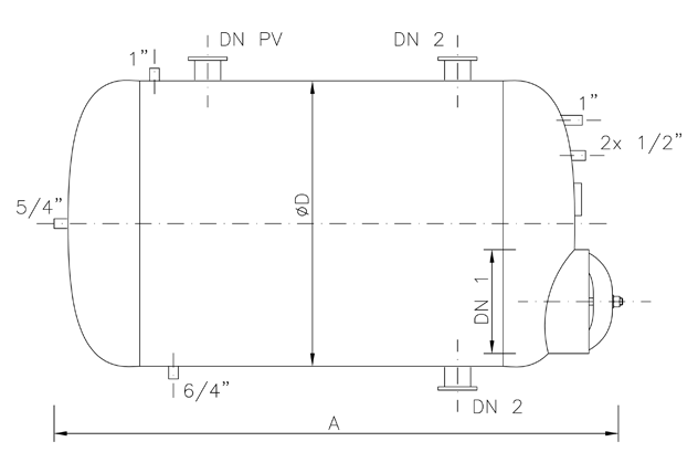
Vzdušník ležatý (TN-VL), Větrník ležatý (TN-LV)

 


Větrník se značí TN-VL. Používá se jako vyrovnávací nádoba na vodu ve vodárenských systémech.

Vzdušníky se značí TN-LV. Používají se jako zásobník tlakového vzduchu. Tlakové nádoby jsou opatřeny hrdly pro vstup a výstup pracovního média, dále návarky pro tlakoměr, tlakový snímač, odkalení, odvzdušnění, pojistný ventil a návarky pro stavoznak.

Plášť nádoby je opatřen základním ekologickým nátěrem a je možno, na základě požadavku, provést vnitřní povrchovou úpravu, a to pozinkováním nebo plastováním.

V objednávce je nutné uvádět katalogové číslo větrníku, objem, tlak a teplotu pracovního média. Firma Step TRUTNOV a.s. vyrábí sériově vzdušníky určené k montáži mobilních kompresorů v celém výrobním rozsahu.


Technické parametry

30 až 250l
Katalogové číslo Objem
[l]
D
[mm]
A
[mm]
DN1
[mm]
Hmotnost [kg]
0,6 MPa 1,0 MPa 1,6 MPa
01M1 30 300 480 - 30 35 50
01M2 50 300 740 - 40 45 60
01M3 65 300 990 - 50 55 70
01M4 75 300 1090 - 55 60 75
01M5 90 300 1340 - 65 70 85
01M6 100 400 940 - 32 42 50
01M7 150 400 1340 - 44 57 69
01M8 200 500 1190 - 58 69 80


250 až 10 000l
Katalogové číslo Objem
[l]
D
[mm]
A
[mm]
DN1
[mm]
Hmotnost [kg]
0,6 MPa 1,0 MPa 1,6 MPa
0101 250 500 1440 - 67 81 95
0102 400 600 1670 - 130 135 170
0103 540 650 1910 - 140 155 200
0104 630 700 2070 - 160 180 250
0105 800 800 2000 - 190 220 285
0106 1000 800 2580 - 230 270 330
0107 1400 1000 2150 420x320 320 405 525
0108 1600 1000 2300 420x320 370 480 630
0109 2000 1000 2770 420x320 465 580 740
0110 2200 1200 2310 420x320 510 630 790
0111 2500 1200 2810 420x320 580 700 870
0112 4000 1400 2870 420x320 830 980 1250
0113 5000 1400 3600 420x320 1030 1240 1570
0114 6300 1600 3500 420x320 1230 1490 1890
0115 8000 1800 3500 420x320 1570 1890 2490
0116 10000 2000 3800 420x320 1900 2280 3080

Kromě typových výrobků uvedených v katalogu dodáváme i atypická provedení.

Výkres

tn vl vykres


Stáhnout DWG

STEP TRUTNOV © 2026
  • Vítejte
  • Produkty
  • Reference
  • Servis
  • Kontakty
  • Volné pozice
  • Uživatelské menu

Login form