Abschlämmungsgefäß
Das Abschlämmungsgefäß (Schlammauslass) ist ein stabiles Druckgefäß, das Warmwasser-Heizsysteme (Warmwasserkessel, Wärmeaustauscher, Heizungskörper und Verteilungen) gegen Korrosion, Schlamm- und Verunreinigungssammlung schützt und die Betriebsverlässlichkeit von Armaturen erhöht.
Die Abschlämmungsgefäße werden für max. Betriebsüberdruck 1,0MPa und max. Betriebstemperatur 120°C verwendet. Die Positionierung des Abschlämmungsgefäßes ist vor der Wärmequelle (Kessel, Wärmeaustauscher usw.) und in die Speiseleitung (Rücklauf).
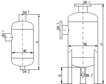
Technische Parameter
| Kat. nummer | TYPE | Durchmesser D [mm] | Stutzen DN1 [mm] | Stutzen DN2 [mm] | Beine B [mm] | Höhe H [mm] |
|---|---|---|---|---|---|---|
| 3101 | 200 | 206 | 65 | 6/4" | - | 560 |
| 3102 | 300 | 300 | 80 | 6/4" | - | 680 |
| 3103 | 400 | 400 | 100 | 40 | 200 | 980 |
| 3104 | 500 | 500 | 125 | 40 | 200 | 1180 |
| 3105 | 600 | 600 | 150 | 40 | 200 | 1120 |
Zeichnung
