EXPANDER (AUSLÖSER) (TN – SEU)
Die Expander (Auslöser) werden mit TN-SEU bezeichnet und werden als Flüssigkeits- und Dampfdruckauslöser angewendet.
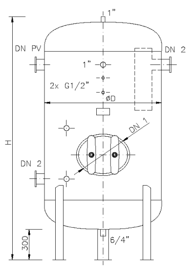
Die Expander sind mit Stutzen für den Ein- und Austritt von Arbeitsmedien, weiter mit Aufschweißteilen für pflichtige Expanderausrüstung ausgestattet.
In der Bestellung ist es nötig Katalognummer, Volumen, Druck und Temperatur des Arbeitsmediums, bzw. eine Anforderung auf Oberflächenbehandlung (Grundanstrich, Verzinkung usw.) anzugeben.
Technische Parameter
| Katalog nummer |
Volumen [l] |
D [mm] |
H [mm] |
DN1 [mm] |
Gewicht [kg] | ||
|---|---|---|---|---|---|---|---|
| 0,6 MPa | 1,0 MPa | 1,6 MPa | |||||
| 0301 | 1000 | 800 | 2560 | 420x320 | 290 | 330 | 390 |
| 0302 | 1400 | 1000 | 2300 | 420x320 | 420 | 505 | 625 |
| 0303 | 1600 | 1000 | 2700 | 420x320 | 470 | 580 | 730 |
| 0304 | 2000 | 1000 | 2920 | 420x320 | 565 | 680 | 840 |
| 0305 | 2200 | 1200 | 2460 | 420x320 | 610 | 730 | 890 |
| 0306 | 2500 | 1200 | 2960 | 420x320 | 680 | 800 | 970 |
| 0307 | 4000 | 1400 | 3020 | 420x320 | 930 | 1080 | 1350 |
| 0308 | 5000 | 1400 | 3750 | 420x320 | 1130 | 1340 | 1670 |
| 0309 | 6300 | 1600 | 3650 | 420x320 | 1330 | 1590 | 1990 |
| 0310 | 8000 | 1800 | 3650 | 420x320 | 1670 | 1990 | 2590 |
| 0311 | 10000 | 2000 | 3950 | 420x320 | 2000 | 2380 | 3180 |
Außer den im Katalog angeführten Typenprodukten liefern wir auch atypische Ausführungen.
Zeichnung
