Menu
  • Home
      • About the company
      • Company profile
      • Environmental policy
      • Certification and specification
      • EU Projects
      • Download
      • Of interest
  • Products
      • Boilers for biomass
      • Stationary pressure vessels
      • Water heaters
      • Heat exchangers
      • Water treatment equipment
      • Non-pressure vessels
      • Other products
      • Biomass-Fired power plant
  • References
      • Investment activities
      • Our own technology realizations
      • Biomass boiler rooms
      • Construction and projection
      • Storage tanks
  • Service
  • Contacts
      • Addresses
  • Job vacancies
  • User menu
      • Log in
      • Register
  • Czech (CZ)
  • German (DE)
  • Russian (RU)
  • Slovak (SK)
  • English (UK)
STEP TRUTNOV

STEP TRUTNOV

    • Phone:
    • +420 499 407 407
    • Company headquarters
    • Horská 695, 541 02 Trutnov
    • Production plant location
    • Horská 695, 541 02 TRUTNOV 4
  • Home |
  • Heat exchangers |
  • Exchanger VT1 - PVS (steam – water, vertical)

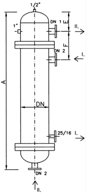
Exchanger VT1 - PVS (steam – water, vertical)

The exchanger types labelled as VT1 – PVS are produced for casing/insert pressure 1.6/1.6 MPa, and maximum casing/insert working temperature 200/200°C. Concerning a heating medium, they are namely suited for low-pressure steam.

The steam warms the water by means of straight Cu or Fe tubes that are expanded into two fixed tube-plates. Water streams in a single direction. The exchangers have a neck for input and output of water and steam, and welded-on pieces for a thermometer, settling and venting. The exchangers are coated with primer.


Technical parameters

Catalogue
No.
DN
 
A
[mm]
E
[mm]
F
[mm]
DN1
 
DN2
 
pl.Fe
[m²]
pl.Cu
[m²]
m [kg]
Fe Cu
0701 150 1770 126 277 25 40 2,7 1,4 135 115
0702 200 1800 151 294 25 40 5,3 2,6 218 177
0703 250 1870 190 280 50 50 9,2 4,5 295 259
0704 300 1920 188 300 50 65 13,6 7 415 366
0705 350 1970 235 330 65 80 20,5 10 496 415
0706 400 2020 260 360 80 100 24,9 12 640 541

Besides the standard products listed in our catalogue, special models can be supplied as well.
See also our other standard models of heat exchangers: Exchanger VT2 - PVL | Exchanger VT3 - PVL |  Exchanger VT4 – VVS | Exchanger VT4 – VVL

Drawing

vt1 pvs vykres


DWG Download

STEP TRUTNOV © 2026
  • Home
  • Products
  • References
  • Service
  • Contacts
  • Job vacancies
  • User menu

Login form