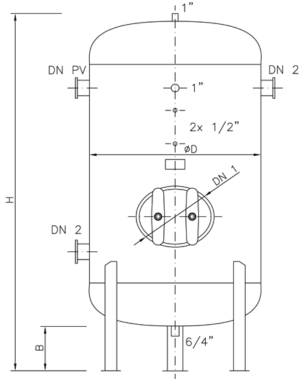
Vzdušník stojatý (TN-VS)
Vzdušníky stojaté sa označujú TN-VS. Používajú sa ako zásobník tlakového vzduchu. Sú opatrené hrdlami pre vstup a výstup pracovného média, ďalej návarky pre teplomer, tlakomer, snímač regulácie, odkalenie a odvzdušnenie.
Veľkosť jednotlivých vstupov a výstupov (DN 2) a ich umiestnenia je nutné špecifikovať v objednávke podľa konkrétnych požiadaviek odberateľa. Plášť nádoby je opatrený základným náterom a je možné, na základe požiadavky, vykonať vnútornú povrchovú úpravu a to pozinkovaním alebo poplastovaním.
Vzdušníky pre pracovný tlak nad 1,0 MPa a objemy nad 10 m3 sa dodávajú ako zvláštne vyhotovenie na základe individuálnej kalkulácie.
Firma Step TRUTNOV a.s. vyrába sériovo vzdušníky určené na montáž mobilných kompresorov v celom výrobnom rozsahu.
Technické parametre
| Katalogové číslo | Objem | H | D | B | hubica | Hmotnosť [kg] | |||||
|---|---|---|---|---|---|---|---|---|---|---|---|
| [l] | [mm] | [mm] | [mm] | DN 1 | DN 2 | DN PV | 0,6 MPa | 1,0 MPa | 1,6 MPa | ||
| 0001 | 250 | 1630 | 500 | 200 | - | G 1" | G 1" | 80 | 93 | 107 | |
| 0002 | 400 | 1720 | 600 | 200 | - | G 1" | G 1" | 140 | 145 | 180 | |
| 0003 | 550 | 2290 | 600 | 200 | - | G 1" | G 1" | 160 | 175 | 220 | |
| 0004 | 650 | 1670 | 800 | 200 | - | G 6/4" | G 5/4" | 180 | 200 | 270 | |
| 0005 | 800 | 2050 | 800 | 200 | - | G 6/4" | G 5/4" | 220 | 250 | 315 | |
| 0006 | 1000 | 2560 | 800 | 300 | - | G 6/4" | G 5/4" | 260 | 300 | 360 | |
| 0007 | 1400 | 2300 | 1000 | 300 | - | G 6/4" | G 5/4" | 370 | 455 | 575 | |
| 0008 | 1600 | 2700 | 1000 | 300 | 420x320 | G 6/4" | G 5/4" | 420 | 530 | 680 | |
| 0009 | 2000 | 2920 | 1000 | 300 | 420x320 | G 2" | G 5/4" | 515 | 630 | 790 | |
| 0010 | 2200 | 2460 | 1200 | 300 | 420x320 | G 2" | G 5/4" | 560 | 680 | 840 | |
| 0011 | 2500 | 2960 | 1200 | 300 | 420x320 | G 2" | G 5/4" | 630 | 750 | 920 | |
| 0012 | 4000 | 3020 | 1400 | 300 | 420x320 | DN65 | G 6/4" | 880 | 1030 | 1300 | |
| 0013 | 5000 | 3750 | 1400 | 300 | 420x320 | DN65 | G 6/4" | 1080 | 1290 | 1620 | |
| 0014 | 6300 | 3750 | 1600 | 300 | 420x320 | DN80 | G 6/4" | 1280 | 1540 | 1940 | |
| 0015 | 8000 | 3650 | 1800 | 300 | 420x320 | DN100 | G 2" | 1620 | 1940 | 2540 | |
| 0016 | 10000 | 3950 | 2000 | 300 | 420x320 | DN100 | G 2" | 1950 | 2330 | 3130 | |
Výkres
