Patrónový zmäkčovací filter - PZF 200
Po pripojení na vodovodný rad slúži patrónový zmäkčovací filter na výrobu zmäkčenej vody s celkovou tvrdosťou nižšou ako 0,1 mmol/l.
Zariadenie sa používa na zmäkčovanie vody v teplovodných vykurovacích sústavách pri dopĺňaní menších a stredne veľkých teplovodných sústav ústredného vykurovania zmäkčenou vodou a inde. Zariadenie nájde svoje uplatnenie aj v domácnostiach na zmäkčenie vody pre automatické práčky.
Po úprave určeného množstva vody (viď. graf) alebo po dosiahnutí limitnej hodnoty vodivosti sa jednoduchým spôsobom nahradí patróna s vyčerpaným ionexom umiestnená vo filtri patrónou náhradnou. Na zistenie intervalu výmeny patróny je nevyhnutný chemický rozbor vody. Odbornú regeneráciu patróny vykonáva výrobca. Obeh patrón je zaisťovaný výmenným spôsobom.
Príklad: Vstupná voda má celkovú tvrdosť 1,5 mmol/l. Patrónu vymeňte po prefiltrovaní 11 000 l vody (odčítané z vodomeru).
|
Vlastnosti:
|
Dodanie:
|
Zvláštne vybavenie:
|
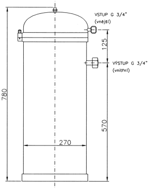
Výkres

Odporúčaná schéma zapojenia

Graf- výmena patrony
