Menu
  • Vitajte
      • O spoločnosti
      • Profil spoločnosti
      • Environmentálna politika (EMS)
      • Certifikácia a normy
      • EU projekty
      • K stiahnutiu
      • Zaujímavosti
  • Výrobky
      • Kotly na biomasu
      • Tlakové nádoby stabilné
      • Ohrievače vody
      • Výmenníky tepla
      • Zariadenia pre úpravu vôd
      • Beztlakové nádoby
      • Ostatné produkty
      • Elektráreň na biomasu
      • Pozinkované nádoby pro domácí vodárny
  • Dodávateľská činnosť
      • Investičné akcie
      • Realizácia vlastných technológií
      • Kotolne na biomasu
      • Konštrukcia a projekcia
  • Servis
  • Kontakty
      • Adresy
  • Voľné pozície
  • Czech (CZ)
  • German (DE)
  • Russian (RU)
  • Slovak (SK)
  • English (UK)
STEP TRUTNOV

STEP TRUTNOV

    • Telefón:
    • +420 499 407 407
    • Sídlo spoločnosti
    • Horská 695, 541 02 Trutnov
    • Adresa prevádzky
    • Horská 695, 541 02 TRUTNOV 4
  • Hlavná stránka |
  • Zariadenia pre úpravu vôd |
  • Patrónový demineralizačný filter - PDF 200

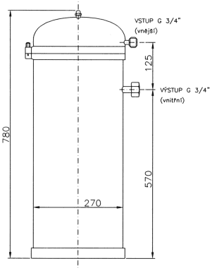
Patrónový demineralizačný filter - PDF 200

 


Po pripojení na vodovodný rad slúži patrónový demineralizačný filter na výrobu demineralizovanej vody pre potreby zdravotníctva, klinickej medicíny, laboratórií a pod.

Požadované limitné hodnoty vodivosti je možné odhadnúť na základe merania objemu upravenej vody alebo ich presným stanovením pomocou zabudovaného prístroja na meranie vodivosti, ktorý je dodávaný na objednávku ako príslušenstvo filtra.

Po úprave určeného množstva vody (viď. graf) alebo po dosiahnutí limitnej hodnoty vodivosti sa jednoduchým spôsobom nahradí patróna s vyčerpaným ionexom umiestnená vo filtri náhradnou patrónou. Chemický rozbor vody vykonáva prevádzkovateľ, môže ho však objednať aj u výrobcu ak je nevyhnutný pre zistenie intervalu výmeny patróny. Odbornú regeneráciu patróny vykonáva výrobca. Obeh patrón je zaisťovaný výmenným spôsobom.

Vlastnosti:
  •  Trvalý prietok 150 l/h
  •  Okamžitý prietok 1000 l/h
  •  Maximálny tlak 0,6 MPa
Dodanie:
  •  Patrónový filter s patrónou a náplňou
  •  Vodomer
Zvláštne vybavenie:
  •  Aparát pre meranie vodivosti
  •  Náhradná patróna

Výkres

pdf 200 vykres


Odporúčaná schéma zapojenia

pdf 200 schema


Graf - výmena patróny

pdf 200 graf


Stiahnuť DWG

STEP TRUTNOV © 2026

Login form